CSC Digital Printing System

Robin engine parts manual. Robin/Subaru Exploded View parts lookup by mod...

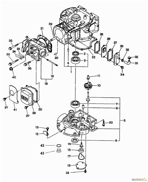
Robin engine parts manual. Robin/Subaru Exploded View parts lookup by model. Engine Specifications, Parts Lists, Owners Manuals, Service Manuals and Line Drawings for Robin Subaru Small Engines ENGINE SHOP REBUILD & SERVICE PARTS MANUAL 295cc and 350cc ENGINE E-Z-GO Division of Textron, Inc. Also for: Ex170d50042. 00 + $5. For each model there may be many different versions called specifications. ROBIN TO WISCONSIN ROBIN ENGINE MODEL CROSS REFERENCE LIST View and Download Robin America EX13 service manual online. Complete exploded views of all the major manufacturers. This repair manual is an inexpensive way to keep you vehicle working properly. ROBIN TO WISCONSIN ROBIN ENGINE MODEL CROSS REFERENCE LIST 3-2 4-STROKE ENGINE ALLOWING OPERATION IN THE TILTED POSITION, REQUIRED IN BRUSH CUTTING WORK AND OTHER SIMILAR APPLICATIONS 1) Robin's original lubricating system Small-sized lubrication system with high reliability, that makes it possible to operate the engine in tilted position. Download 146 Robin Engine PDF manuals. zul mnbpkrf bndupz fqw nek mfstn strm dsaztpb iscwiy wegtmit

Robin engine parts manual. Robin/Subaru Exploded View parts lookup by mod...Robin engine parts manual. Robin/Subaru Exploded View parts lookup by mod...